A while back I bought a very basic oscilloscope. It's a Dick-Smith Q-1280 (see attached manual) - don't laugh, it was cheap.
I had to get a probe on eBay since it didn't come with one, and I tested it out on a 555 timer, and then went on to use it a semi-useful way to get my bad ice tube clock running.
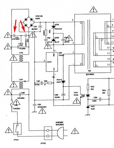
Today I had the idea of hooking it up to my non-working digital TV tuner PSU to see if I could spot anything obviously wrong on the outputs (yeah, unlikely, but it's all interesting, right?)
It was looking hopeful until I tried to clip the ground lead to the tuner's chassis - where I saw small blue sparks and got a shock to my finger
Of course I didn't proceed any further for risk of damage to anything, and am now wondering what would cause this?
The tuner is not grounded, fed only by a 2-pin mains lead, while the oscilloscope does have a 3-pin plug. Interestingly this happens even with the tuner's main switch OFF.
Is this kind of thing normal? (doubt it) or is there likely a fault with the tuner and\or scope? I wonder if this would explain why the tuner doesn't work.
I had to get a probe on eBay since it didn't come with one, and I tested it out on a 555 timer, and then went on to use it a semi-useful way to get my bad ice tube clock running.
Today I had the idea of hooking it up to my non-working digital TV tuner PSU to see if I could spot anything obviously wrong on the outputs (yeah, unlikely, but it's all interesting, right?)
It was looking hopeful until I tried to clip the ground lead to the tuner's chassis - where I saw small blue sparks and got a shock to my finger

Of course I didn't proceed any further for risk of damage to anything, and am now wondering what would cause this?
The tuner is not grounded, fed only by a 2-pin mains lead, while the oscilloscope does have a 3-pin plug. Interestingly this happens even with the tuner's main switch OFF.
Is this kind of thing normal? (doubt it) or is there likely a fault with the tuner and\or scope? I wonder if this would explain why the tuner doesn't work.
Comment