Re: I need to make a fan controller.
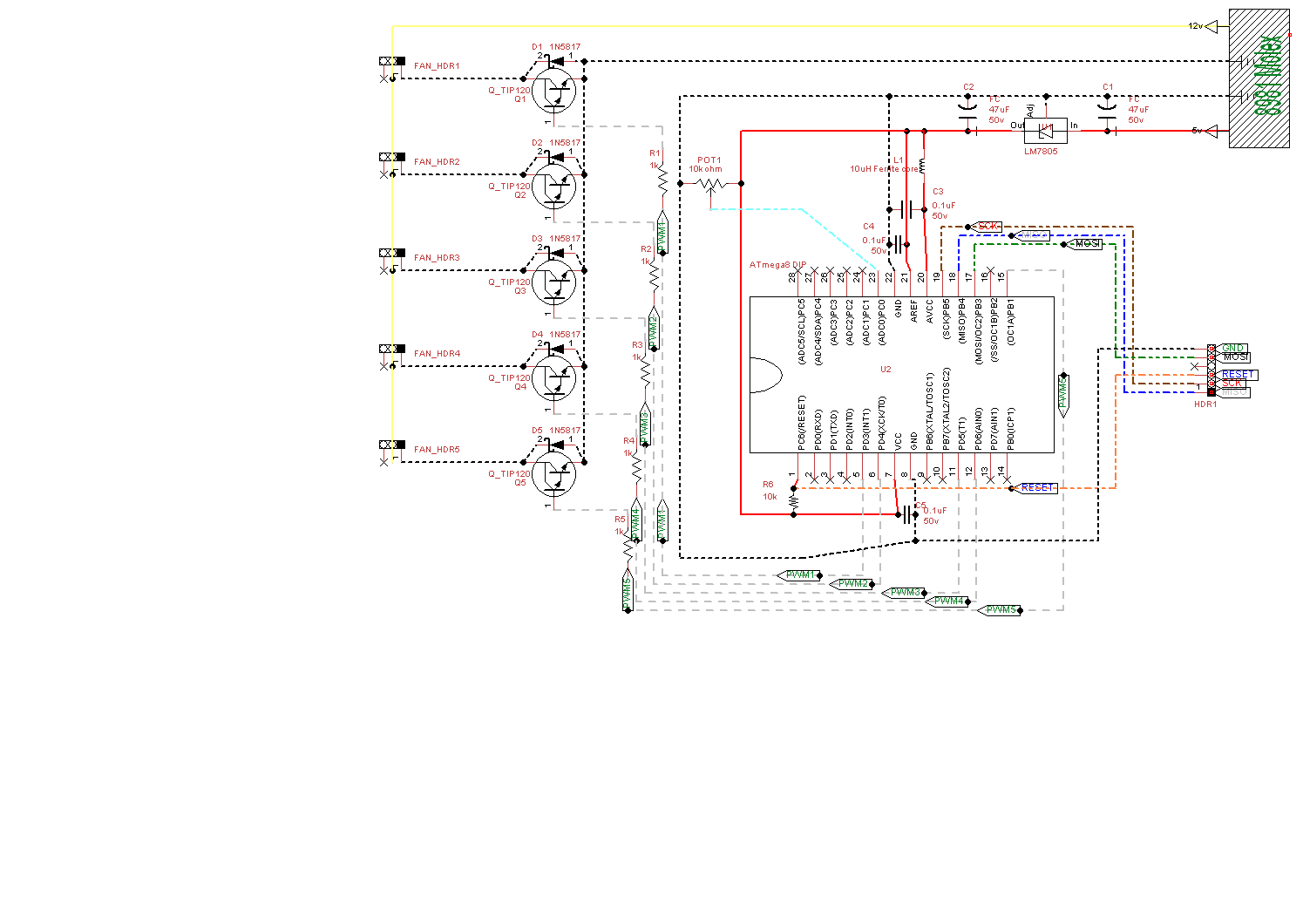
It has been a while since I checked out this thread. I say the easiest and most flexible way of achieving what you want is to connect each transistor to a PWM output. In theory, one could power all five transistors from one PWM output. However I doubt that the current output from the microcontroller will be able to power five transistors. Therefore you will probably need another transistor to provide the extra power required to energise all five transistors at once from a single microcontroller output.
I would suggest to use the same PWM outputs as the Arduino. That way it is much easier to program using 'their' language. Not all Digital I/O pins can be configured for PWM use. Only one or two ports on the microcontroller will support PWM output. From memory, there are more PWM pins than what the Arduino's provide on their boards (this would have to be confirmed by checking the datasheet for the ATMega168), however if you use these pins, it will be difficult to make use of the Arduino C like language and their hardware libraries. On top of that, perhaps those extra PWM outputs are required for other purposes such as ICSP programming.
For the software side of things, I tried a fair few free products and found them all to be quite difficult to use (to design stripboard layouts). I found Lochmaster very good and intuitive for stripboard design. Unfortunately you can not design a schematic in it. Therefore you have to verify your layout against your schematic manually. For your circuit, it should be pretty simple. However it would be a problem for complex circuits, however stripboard is not that effective for complex circuits so it's unlikely to be used for such complex designs.
It has been a while since I checked out this thread. I say the easiest and most flexible way of achieving what you want is to connect each transistor to a PWM output. In theory, one could power all five transistors from one PWM output. However I doubt that the current output from the microcontroller will be able to power five transistors. Therefore you will probably need another transistor to provide the extra power required to energise all five transistors at once from a single microcontroller output.
I would suggest to use the same PWM outputs as the Arduino. That way it is much easier to program using 'their' language. Not all Digital I/O pins can be configured for PWM use. Only one or two ports on the microcontroller will support PWM output. From memory, there are more PWM pins than what the Arduino's provide on their boards (this would have to be confirmed by checking the datasheet for the ATMega168), however if you use these pins, it will be difficult to make use of the Arduino C like language and their hardware libraries. On top of that, perhaps those extra PWM outputs are required for other purposes such as ICSP programming.
For the software side of things, I tried a fair few free products and found them all to be quite difficult to use (to design stripboard layouts). I found Lochmaster very good and intuitive for stripboard design. Unfortunately you can not design a schematic in it. Therefore you have to verify your layout against your schematic manually. For your circuit, it should be pretty simple. However it would be a problem for complex circuits, however stripboard is not that effective for complex circuits so it's unlikely to be used for such complex designs.

Comment