Re: I need to make a fan controller.
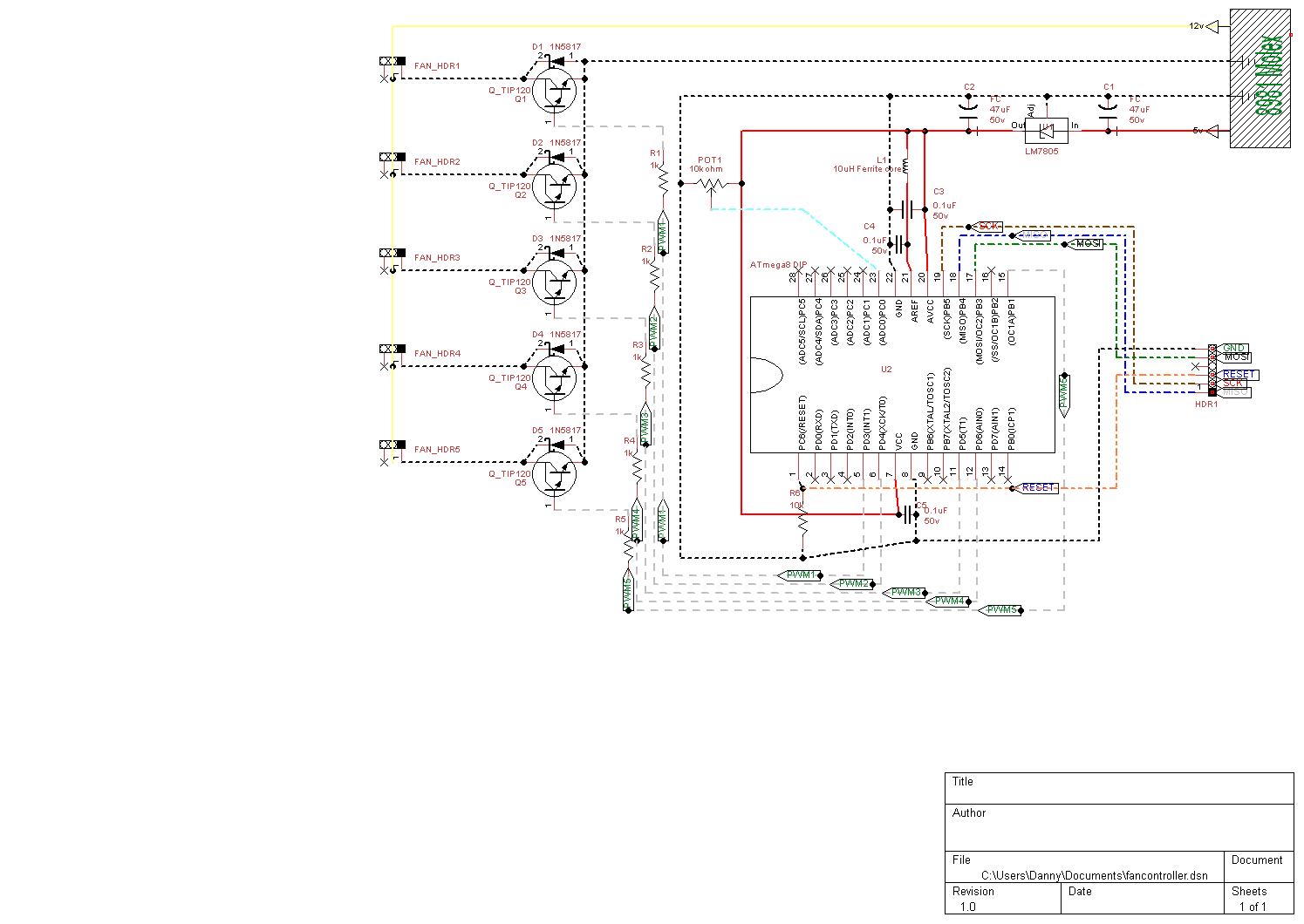
I just checked the datasheet for the ATMega168 microcontroller. It is a bit confusing, however it says that analog reference voltage can be set to either AVCC, 1.1V or an external voltage connected to the AREF pin. For your case, I would suggest that AVCC is the most appropriate setting (and probably the default configuration). The datasheet does also say that you can connect AREF to ground using a small capacitor (the ceramic capacitor you are talking about) for greater noise immunity.
Therefore I would say it is up to you whether you place a capacitor there or not. I do not think it will greatly affect the operation of the circuit for your purposes.
I just checked the datasheet for the ATMega168 microcontroller. It is a bit confusing, however it says that analog reference voltage can be set to either AVCC, 1.1V or an external voltage connected to the AREF pin. For your case, I would suggest that AVCC is the most appropriate setting (and probably the default configuration). The datasheet does also say that you can connect AREF to ground using a small capacitor (the ceramic capacitor you are talking about) for greater noise immunity.
Therefore I would say it is up to you whether you place a capacitor there or not. I do not think it will greatly affect the operation of the circuit for your purposes.
).

Comment